Frontend Fr1     zurück

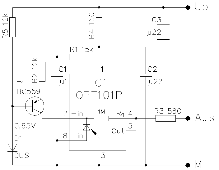
Das Frontend Fr1 basiert auf dem Opto-IC OPT101P der Firma Burr-Brown, heute eine Division von Texas Instruments. Es ist mit einer leistungsfähigen Gleichlichtkompensation ausgestattet.

Hier die Zeichnungen im GIF-Format zum Anschauen und zum Download sowie ein Foto.

Der Stromlaufplan (8k)

Die Leiterplatte (9k)
Sie ist exakt so bemessen, daß sie beim 1:1 Ausdruck mit 300 dpi das korrekte Maß von 71,5*53,5 mm erhält.
Dies ist der Blick auf die Bauteilseite. Auf dem Kupfer ist die Schrift seitenrichtig.

Der Bestückungsplan (3k)

# Foto (34k) des Frontend.

ACHTUNG!! Der OPT101 sitzt auf der Leiterseite!!

Beschreibung der Schaltung
Es wird der interne 1 MOhm Widerstand des OPT101P benutzt. Das ergibt zwar einen Verstärkungsabfall bei 32,768 kHz, man erspart sich aber den externen Widerstand und Kondensator.
Die Gleichlichtkompensation arbeitet mit dem pnp-Transistor BC559. Sobald die Spannung am Ausgang des OPT101P 1,2 V erreicht, fließt über R1 und R2 Strom in den Emitter, der aus dem Kollektor zum Eingang des IC fließt. Der Kollektor hat einen sehr hohen Innenwiderstand, so daß die Wechselspannungsverstärkung nicht beeinträchtigt wird.
Die obere Grenzfrequenz der Kompensation wurde bewußt relativ hoch auf ca. 100 Hz gelegt, um Brummlicht abzuschwächen.
Das soll nicht zum schlampigen Aufbau verleiten, denn Gleichlicht führt zu Stromfluß, dessen Schrotrauschen die Empfindlichkeit des Frontends herabsetzt. Lichtdichter Aufbau, Blenden und Filter lohnen sich immer!


Last update 19.01.2002       zurück