Laserempfänger Rx2     zurück

Der Laserempfänger Rx2 enthält die Funktionsgruppen:
Verstärker
AGC- und S-Meter Schaltung
FM-Demodulator
NF-Tiefpaß
NF-Verstärker

Er ist per Logikpegel zwischen Basisband und FM umschaltbar.

Der Laserempfänger
Blockschaltbild des Empfängers.

Hier die Zeichnungen zum Anschauen und zum Download.

Der Stromlaufplan (38k)
Anregung von Pit, DL7UHU: C1 größer machen.
0,47 uF reichen aber vollkommen, alternativ 1 uF Tantal-Elko.
Bitte laden und DIN A4 ausdrucken, dann wird er ufb lesbar.
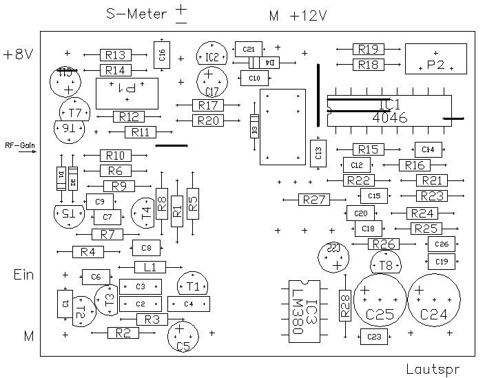
Die Leiterplatte (23k)
Sie ist exakt so bemessen, daß sie beim 1:1 Ausdruck mit 300 dpi das korrekte Maß von 71,5*53,5 mm erhält.
Dies ist der Blick auf die Bauteilseite. Auf dem Kupfer ist die Schrift seitenrichtig.
Der Bestückungsplan (13k).

Beschreibung der Schaltung

Der Verstärker ist 2-stufig aufgebaut. Voll aufgeregelt beträgt die Verstärkung > 100 dB. Am Kollektor der erste Stufe sitzt die Umschaltung zwischen dem Schwingkreis L1 / C2 mit einer Resonanzfrequenz von 32,768 kHz und dem Widerstand von 8,2 k Ohm. R3 und C4 am Kollektor bleiben immer verbunden, diese Bedämpfung erhöht die Bandbreite des Schwingkreises und hat im Basisbandbetrieb eine leichte Tiefpaßwirkung. C3 ist mit 0 angegeben, er kann zum Feinabgleich der Frequenz dienen.
Die Regelschaltung spricht bereits beim Grundrauschen leicht an. Dadurch werden kleinste Signale erfaßt und das S-Meter zeigt schon 2 µV am Eingang deutlich an. Dies ist nicht nur beim Einjustieren auf die Gegenstation hilfreich. Bei starken Signalen rührt sich nicht mehr viel, dann sieht man den Partner ohnehin. Der Regelumfang liegt über 80 dB.

Die FM-Demodulation erfolgt mit dem PLL-Schaltkreis CD4046. Seine Beschaltung wurde sorgfältig für die verwendeten FM-Parameter dimensioniert.

Das NF-Signal wird durch einen Butterworth Tiefpaß mit einer Grenzfrequenz von 5 kHz zum NF-Verstärker geführt. Er ergibt völlig ausreichende Lautsprecherwiedergabe. Der IC LM380 wurde wegen der Spannungsfestigkeit gewählt. Inzwischen erfuhr ich, daß es vom LM386 eine Hochvoltversion gibt. Da der LM380 problemlos zu bekommen ist, besteht kein Grund zur Panik. Kann man beim nächsten Redesign ändern.


Last update 31.01.2002       zurück